System technology in vehicle engineering for platform manufacturers
Are you a platform manufacturer of special vehicles (trucks, trailers or pick-up trucks) and you search for solutions for optimum power distribution and protection of loads at overcurrent and short circuit?
As a specialist on the score of system technology we offer you flexible complete systems or single components which can efficiently be used also for small-size series applications.
In the range of vehicle engineering, we offer you:
- Load protection by means of circuit breakers
- Load protection by means of smart power relays
- Power distribution system Power Board Modules
- Central electrics
- Power distribution systems with CAN-bus connection
- Flexibility
- User convenience
- Remote access
- Ergonomic design
- Enhanced reliability
Examples of E-T-A solutions
-
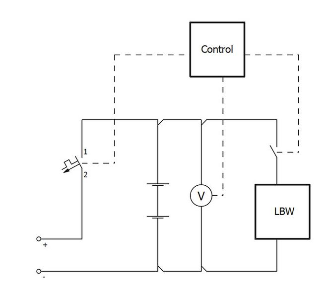
Power management system for battery and tail-lift control
Power management system for battery and tail-lift control
Request:
- Requirement of a system to monitor the charge condition of the second battery of a trailer
- Release of the tail-lift control depends on the loading condition
- Overcurrent protection for charging cables and plug-in connectors
- Voltage rating DC 24 V
- Current rating of charging cable protection 50 A
- Current rating tail-lift 75-300 A
Solution:
- Mounted in a moulded housing with protection degree IP65. Selection of housing form according to customer-specific installation area.
- Connecting cables are led into the housing via fittings. A version with blade terminals is optionally available.
- While the tail-lift is used, loading is switched off to avoid overloading of cable and plug.
- If an overload is detected, the system switches off and will reset after a cool-down period.
- There will be an acoustic alarm when the battery needs re-charging.
-
Power distribution for Road Trains
Power distribution for Road Trains
Request:
- Power distribution for the illumination and signal systems of a road train
- The central electric circuit of the traction engine is too weak to be able to supply all trailers. Therefore a booster box is required.
- According to the specifications of the car manufacturer, the power distribution shall comprise the connection of traction engines to truck trailers with 30 A to 12 V or 15 A to 24 V.
- Connection via customer-specific connectors.
- Resettable circuit breakers for all illumination and signalling systems.
- Integral short circuit and overcurrent protection.
- Reverse polarity protection must be ensured.
- Average life span (MTBF) > 150,000 hrs.
- Mechanical capacitance min. IEC529 (IP67).
Solution:
- The signals for rear lights, indicators left and right, reversing lamps and stop lights are boosted.
- Realisation via mechanical relays.
- Each relay is protected by a 1610 circuit breaker.
- The lid can be opened without a tool.
- Mounting on the rear of the traction engine.
- Power supply via traction engine.
- Relay activation via two custom designed 3-pole connectors from the traction engine.
- A 7-pin connector (SAE J560) serves as load output, it is connected with the trailers.
- Circuit breakers and relays are pluggable.
-
CAN bus battery master switch
CAN bus battery master switch
Request:
- System as a main switch function (disconnection of battery and on-board electrical system)
- Activation/control via CAN bus.
- Voltage ratings: 12VDC or 24 VDC
- Low voltage detection
- Switch-on without time delay
- Optional switch-off with adjustable time delay
Solution:
- MPR10 bistable power relay as a battery isolation switch
- CANR-300 configurable multi-functional relay as control unit.
- The power relay immediately disconnects upon detection of undervoltage. (No automatic re-start to increase safety).
- Switching condition of the power relay can be reported back via CAN bus.
- Activation can optionally be via CAN bus or via hardware switch.








